LEAVE FEEDBACK
844-85-PARTS

Search:

Part Lookup Tool

PARTS > MH MANUALS > 2014-09-05, 2000-8, Serial 124882-AND ON > Body Chassis Assembly:



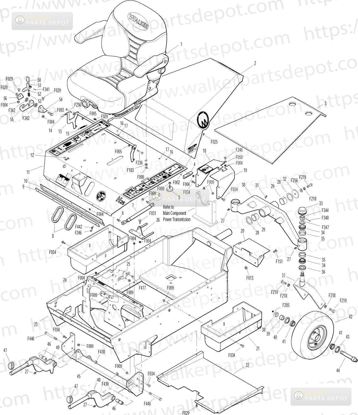
Diagram #Part #DescriptionPriceAdd to Cart
12103-1Seat$604.44 Add to Cart
22105-12NR Rear BodyMBSMBS2629$331.17 Add to Cart
32190-1Insulation Foam Pad$33.99 Add to Cart
44102-1Body GuideUpper$7.13 Add to Cart
57844Rubber Bumper 125x250$4.06 Add to Cart
6514610mm Ball Stud$3.77 Add to Cart
72145Gas Spring$18.26 Add to Cart
85180Edge MoldingLvr Opening$3.43 Add to Cart
92100-3Front Body Doubler
102504-4Hinge 225$20.15 Add to Cart
112100-4Front Body$376.74 Add to Cart
125989-5Dome Plug 716$1.04 Add to Cart
132383Body Latch Hook$35.16 Add to Cart
147854Plastic TipRed$0.50 Add to Cart
157222Extension Spring 14x3$6.96 Add to Cart
165989-4Dome Plug 38$0.83 Add to Cart
175989-3Dome Plug 516$0.30 Add to Cart
182010-12Flex Coupling Guard RH$16.83 Add to Cart
192010-13Flex Coupling Guard LH$15.44 Add to Cart
202390-1Battery Pan$28.42 Add to Cart
212046-1Gas Tank MountLH$131.78 Add to Cart
222301Debris Shield Kit$91.22 Add to Cart
232300-8Chassis Frame
242046Gas Tank Mount$130.94 Add to Cart
254102-2Body GuideLower$7.18 Add to Cart
262325-8Belt Guide$17.55 Add to Cart
275830Grease Fitting 1428$2.47 Add to Cart
282201-2Fiberglide Thrust Washer$11.57 Add to Cart
292201-3Fiberglide Bearing 158$19.05 Add to Cart
302300-6Tail Wheel Pivot$530.25 Add to Cart
315830-3Grease Fitting 45 Deg$4.04 Add to Cart
322201-4Washer 214x716x14Thk$6.77 Add to Cart
338769-8Dust Cap Deck Caster$10.62 Add to Cart
348769-6Bearing Cone 1ID$11.86 Add to Cart
358769-5Bearing Cup 2x158$7.52 Add to Cart
368769-7Seal$5.66 Add to Cart
372770Caster Wheel Fork$69.72 Add to Cart
388039Nut Tail Wheel Axle$6.91 Add to Cart
398038-1Spacer Wheel Axle 750xIDx1125OD$12.61 Add to Cart
408768-2Seal Reverse Lip$10.08 Add to Cart
418037Bearing Cone 34ID$12.09 Add to Cart
428035Tail Whl& Tire(13x5.00-6) (W/Bearing Race)$75.08 Add to Cart
438037-1Seal- Outer (1-3/4x1-1/8)$7.16 Add to Cart
447038Wheel Axle34x5916$43.85 Add to Cart
452300-9Deck Arm Support Mount$156.24 Add to Cart
466840-1Support Arm Bushing 2116$17.60 Add to Cart
472775Lynch Pin 516x114$5.45 Add to Cart
482431Deck Support Arm LH$58.44 Add to Cart
492430Deck Support Arm RH$59.05 Add to Cart
505847Plastic Tip$0.65 Add to Cart
515744-20Spring Arm TiltUp Latch$12.43 Add to Cart
525744-10Spring Pivot Bushing$7.80 Add to Cart
535744-15Compression Spg 38x58$2.26 Add to Cart
545744-13Mount AngleLH$9.41 Add to Cart
555744-12Hook TiltUp Latch$10.22 Add to Cart
565744-14Mount AngleRH$9.41 Add to Cart
F0021024 Keps Nut$0.18 Add to Cart
F0041420 Keps Nut$0.34 Add to Cart
F0051420 ESNA Nut$0.34 Add to Cart
F00951618 Whiz Locknut$0.50 Add to Cart
F0133816 Whiz Locknut$0.65 Add to Cart
F02051618 ESNA Nut$0.34 Add to Cart
F0251024x38 PPHMS$0.18 Add to Cart
F0291420x12 Hex Bolt$0.50 Add to Cart
F0311420x58 Hex Bolt$0.50 Add to Cart
F03451618x34 Hex Bolt$0.79 Add to Cart
F05014 SAE Washer$0.18 Add to Cart
F09351618x1 Hex Bolt$0.94 Add to Cart
F1513816x78 Hex Bolt$1.18 Add to Cart
F183312x700x074 Washer$0.58 Add to Cart
F20551618x14 Set Screw Knurl Point$0.94 Add to Cart
F218716 Split Lock Washer$0.34 Add to Cart
F21971614x114 Hex Bolt$2.06 Add to Cart
F2361420x134 Hex Bolt$0.84 Add to Cart
F2461420x12 PTHMS$0.34 Add to Cart
F256716 SAE Washer$0.50 Add to Cart
F341Coil Roll Pin 764x916$0.34 Add to Cart
F342516 Conical Washer$1.98 Add to Cart
F3443416 Slotted Hex Nut$3.12 Add to Cart
F34734 SAE Washer$1.18 Add to Cart
F34818x112 Cotter Pin$0.18 Add to Cart
F43071620 ESNA Nut$0.79 Add to Cart
F4421420x58 PTHMS$0.31 Add to Cart
F44671620x312 Grd 8 Bolt$4.87 Add to Cart
F4771420x58 Carriage Bolt$1.30 Add to Cart
 


Welcome To Walker Parts Depot

If You Have Any Questions, Don't Hesistate to Call Us:
844-85-PARTS
©2026 Walker Parts Depot a division of MB Tractor & Equipment
Site Map | Conditions of Use, Terms and Conditions, Privacy Policy