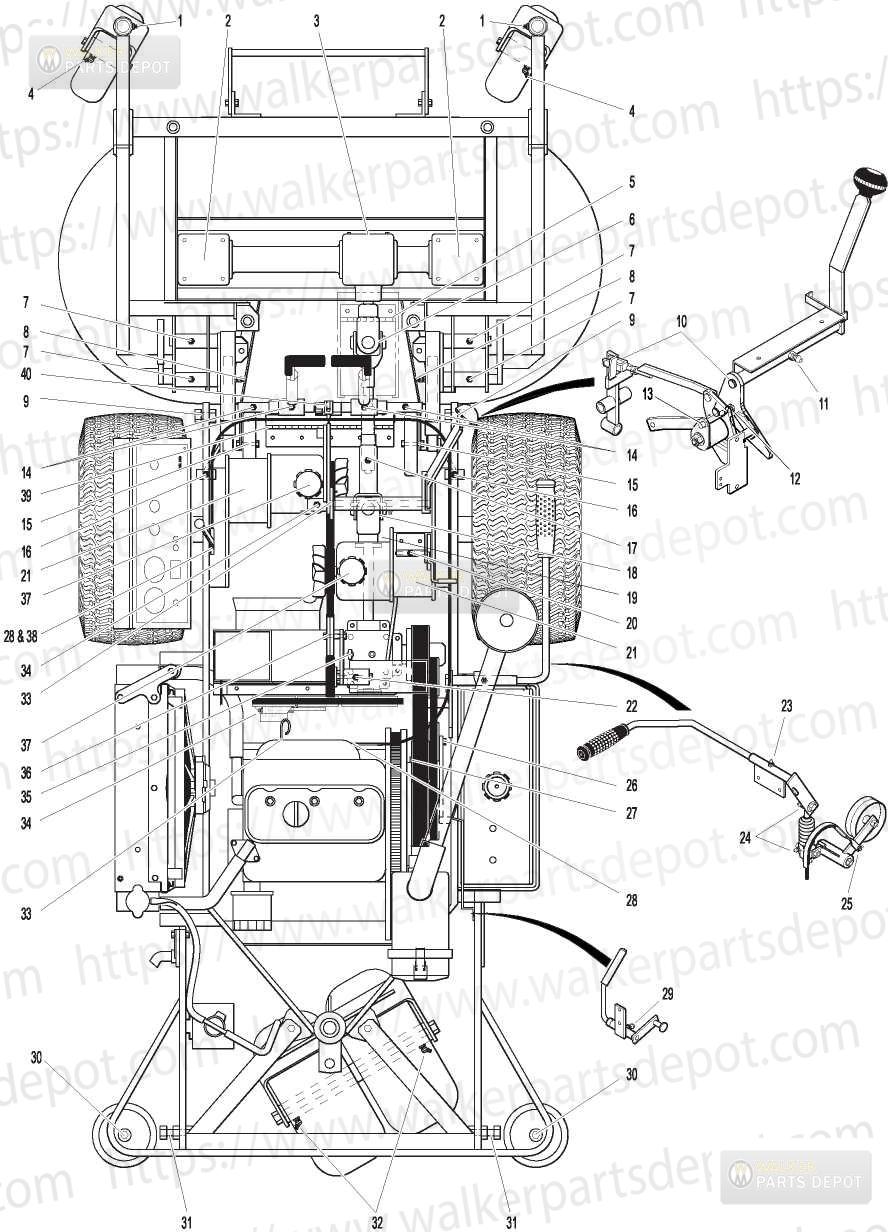
| Diagram # | Part # | Description | Price | Add to Cart |
| 1 | | Deck Caster Wheel Fork Pivot Grease | |
|
| 2 | | Blade Drive Gearbox Oil* | |
|
| 3 | | Tee Gearbox, Deck Oil* | |
|
| 4 | | Deck Caster Wheel Bearing Grease | |
|
| 5 | | PTO Shaft Guard Hinge Oil | |
|
| 6 | | Universal Joint Shaft Assembly Grease** | |
|
| 7 | | Pivot Assembly, Tilt-Up Deck Grease | |
|
| 8 | | Deck Support Arm Socket Grease | |
|
| 9 | | Body Hinge Point Oil | |
|
| 10 | | FSC Actuator Rod Pivot Pins Oil | |
|
| 11 | | FSC Lever Pivot Grease | |
|
| 12 | | FSC Lever Fork (Grease Slide Area) Grease | |
|
| 13 | | (FSC) Friction Body Pivot Grease | |
|
| 14 | | Steering Lever Pivot Grease | |
|
| 15 | | Deck Roller Wheel Oil | |
|
| 16 | | Deck Support Arm Pivot Grease | |
|
| 17 | | Deck-to-PTO Coupling Grease | |
|
| 18 | | Universal Joint Tube Assembly Grease** | |
|
| 19 | | Universal Joint Quick Connect Spline (Grease Slide Area) Grease | |
|
| 20 | | Parking Brake Lever Grease | |
|
| 21 | | Gear Axle Oil*** | |
|
| 22 | | Belt Tightener Pivot, Ground Drive Grease | |
|
| 23 | | PTO Clutch Lever Pivot Grease | |
|
| 24 | | Clutch Actuator Push Rod Grease | |
|
| 25 | | Brake Actuator Rod and Brake Band Pivot Pins (Clevis) Oil | |
|
| 26 | | Idler Arm Oil | |
|
| 27 | | Engine Belt Idler Pulley Oil | |
|
| 28 | | Throttle Control Cable Ends Oil | |
|
| 29 | | Cold Start Lever Grease | |
|
| 30 | | Rear Bumper Roller Wheel Oil | |
|
| 31 | | Catcher Hinge Point Oil | |
|
| 32 | | Rear Wheel Axle Grease | |
|
| 33 | | Engine Dipstick / Oil Filler Oil*** | |
|
| 34 | | Blower Belt Idler Pulley Grease | |
|
| 35 | | PTO Gearbox Dipstick Oil | |
|
| 36 | | Ground Drive Idler Pulley Oil | |
|
| 37 | | Hydrostatic Drive Oil*** | |
|
| 38 | | Throttle Control Assembly Oil | |
|
| 39 | | Discharge Chute Hinge Oil | |
|
| 40 | | Steering Lever Support Oil | |
|